Produtos somente sob encomenda.
Fale Conosco
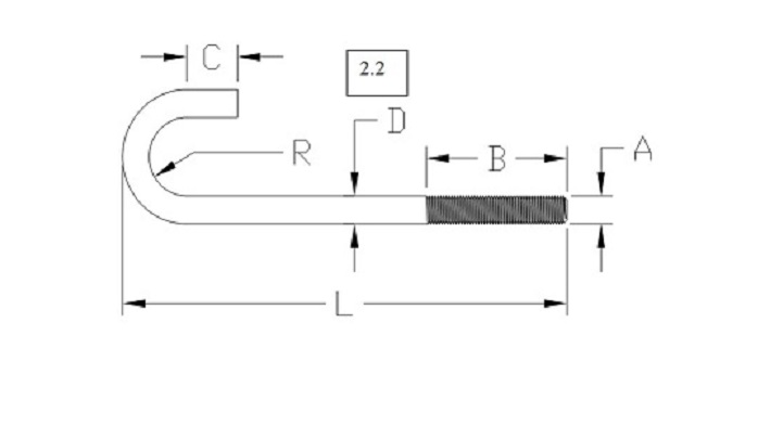
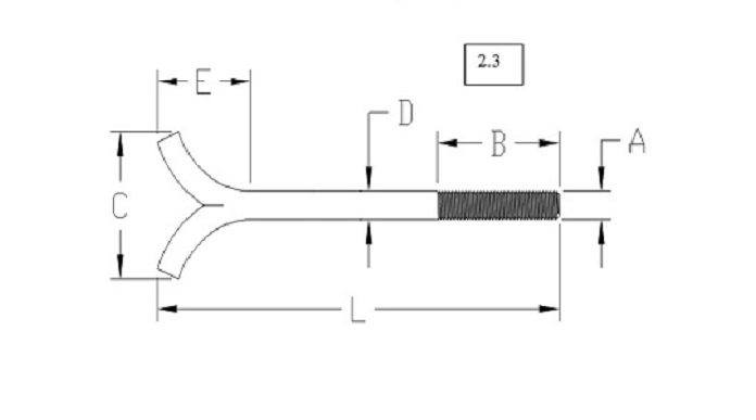
Fabricamos diversos modelos de chumbadores.
- Tipo de material: aço carbono e inox.
- Diâmetros: de 3/8" à 2.1/2".
- Tratamento superficial: Galvanizado a fogo e zincado eletrolítico.
- As roscas são fabricadas pelo processo de laminação, aumentando assim, a sua resistência.
Para efetuar orçamento, solicitamos que determine o modelo do chumbador e as cotas.
Caso não encontre o modelo que precisa, solicitamos o envio de desenho ou amostra.








